Alcone Midi

Die Pascal XT kam bei sehr vielen unserer Kunden derart gut an, dass einfach der Wunsch im Raum stand, eine Pascal - nur eben viel viel günstiger - zu erstellen.

Nach hochwertigen Boxen mit sauberen Mitten und Tiefen befragt, entwickelte Dennis Frank dann diese Box als günstige Ergänzung zum Alcone Programm.

Als Hochtöner kamen:
- Vifa XT 300
- Seas Noferro 900
- und der neue Audaphon TWS 25/6 (Bild rechts)
in die engere Auswahl.

Letzerer gehört zwar nicht zu den Lautsprechern mit absolut phantastischem Klang, wie XT 300 und Noferro 900, aber er ist einfach nochmals ein deutliches Stück günstiger, weswegen wir ihn wählten. AC 6.5

Als Tieftöner wurde der Alcone AC 6.5 gewählt, der eben in der Pascal eine phantastische Figur in der Pascal aber auch in der Descartes 2 (2019 ausgetauscht gegen Version 2) eine phantastische Figur abgibt.

Die beiden harmonieren, wie wir später feststellten sehr gut.

Zuerst wurden die Daten des Tieftöners Alcone AC 6.5 HE gemessen. Dazu wurde verfahren, wie unter Thiele und Small Messung beschrieben.

Die Messung ergab:
Hiervon wichtig sind die Resonanzfrequenz f0, das Äquivalenzvolumen Vas, die Güte Qts (oder Qes und Qms). Mit ihnen kann man den Tiefgang der Box und das passende Boxenvolumen errechnen.

Dann wurde der Frequenzgang des Tieftöners Alcone AC 6.5 HE und der des Hochtöners im eingebauten Zustand in der Box gemessen - das ist sehr wichtig, da die Box den Klang (den Frequenzgang, die Phase) stark beeinflusst!

Wie man dies macht ohne die Eigenschaften des Raumes zu messen und warum dabei die Tiefen nicht erfasst werden haben wir bereits beschrieben. Man erkennt, dass der AC 6.5 HE eine deutliche Überhöhung bei 6 kHz hat; diese wird durch die Frequenzweiche weit unter den Pegel des Hochtöners abgesenkt. Hier gilt für uns der Wunsch: Resonanzen im Tieftöner sollen 20 dB im Pegel unter den Pegel des Hochtöners gebracht werden.
und anschließend der Frequenzgang des Hochtöners Audaphon TWS 25/6.
Zu diesen Daten werden zusätzlich die Impedanz der Lautsprecher gemessen, was bereits für die Thiele und Small Messung geschah.

Mit diesen Daten:
- Frequezgang mit Phase
- Impedanzgang (über die Frequenz) mit Phase geht man nun in ein Weichensimulationsprogramm, wie LSP-CAD, Netcalc oder viele andere.

Damit lässt sich die Weiche simulieren; dass der so gezeigte Frequenzgang ist somit vor Aufbau der Weiche bekannt.

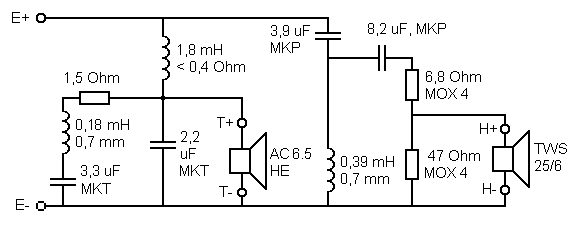
Dann wird die Weiche aufgebaut: Alcone Midi Frequenzweiche
und die fertige Box vermessen: Frequenzgang Midi
auch hier sind die Tiefen noch nicht erfasst, da sonst die Raumreflektionen. eine völlig falsche Messung ergeben.

Die Tiefen werden in einer Nahfeldmessung (1 cm von der Membran entfernt) gemessen; ebenso die Bassreflexöffnung. Letztere wird mit ihrem Querschnitt gegenüber der Membranfläche gewichtet; und ergeben die Tieftonwiedergabe. Diese wird dann mit dem Messprogramm (wie Clio) in Tieftonbereich geschnitten. Dabei messen wir nun auch mit 2,83 V in 1 Meter Entfernung:
Der Frequenzgang, mit einem hochexakten und kalibrierten Mikrofon gemessen, ist sehr eben.

Die Hörprobe zeigt, dass die Box insgesamt sehr gut gelungen ist; vielleicht ist sie im direkten Vergleich zur Pascal eine Idee rauer in den Höhen.

Peter Strassacker und Dennis Frank probieren noch einige Änderungen um den Klang zu variieren, jedoch bleibt die Box so wie beschrieben. Vom Preis-/Leistungsverhältnis eine sehr sehr gute Box.

Dazu bieten wir Ihnen auch eine Aktion an:

statt dem Standardpreis, Midi ohne Gehäuse pro Stück von 139,- EUR

Aktion Midi bis zum Erscheinen des nächsten Newsletters
Preis pro Stück ohne Gehäuse: -

© Copyright Lautsprechershop Daniel Gattig GmbH, 2019. All rights reserved (Nachdruck auch auszugesweise nicht erlaubt)